В каталог

Патент на изобретение Механизм для преобразования вращательного движения в возвратно-поступательное

Патент на изобретение Механизм для преобразования вращательного движения в возвратно-поступательное

Вид объекта: Изобретение

Вид регистрации: Патент

Цена: 1 250 000 р.

Продавец: Михаил Украинко

Телефон: +7 (xxx)xxx-xx-xx

E-mail: xxxx@xxxx.ru

Изображения:

Евразийский патент № 019562. F16H 19/04. Выдан 30.04.2014.

Изобретение относится к деталям машин и может быть использовано в металлообрабатывающей, деревообрабатывающей, химической, полиграфической, легкой, пищевой промышленности и проч.

        Например, в машиностроении в качестве промежуточного узла при создании металлообрабатывающих станков (плоско- и вертикально-шлифовальных, фрезерных, токарных и т.п.).

           В вышеперечисленных агрегатах для преобразовании вращательного движения в возвратно-поступательное,  как правило, используется либо реверс приводного электродвигателя, что крайне отрицательно сказывается на его работе, либо сложные по конструкции и в изготовлении механические, эпектромеханические, гидравлические и прочие переключающие устройства и механизмы.

Или, например, в деревообрабатывающей промышленности, при распиловке древесины, применяются механизмы  использующие для преобразования вращательного движения в возвратно-поступательное кривошипно-шатунные механизмы, простые по конструкции, но при этом агрегат в целом получается громоздким, обладающий значительной массой и, как следствие, появляются неуравновешенные силы при его работе, что приводит к появлению вибраций. При этом величина хода режущих элементов задается и ограничивается длиной радиуса маховика сочлененного с шатуном.

 

Задачей предлагаемого изобретения является создание простого в изготовлении и надежного в работе механизма для преобразования вращательного движения в возвратно-поступательное свободного от недостатков вышеперечисленных механизмов.

        В результате решения этой задачи достигнут новый технический результат, заключающийся в расширении технологических возможностей механизма при простой и сравнительно дешевой в изготовлении конструкции механизма, что повышает его конкурентоспособность  

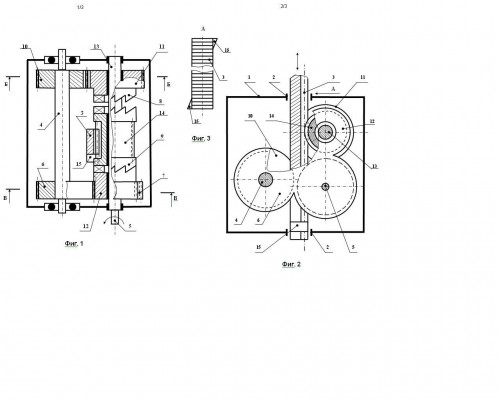
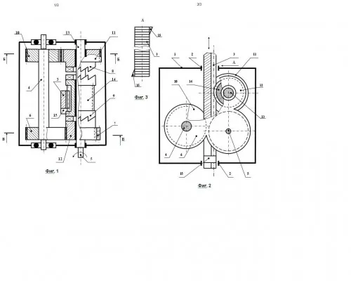
       Данный технический результат достигнут тем, что в механизме для преобразования вращательного движения в возвратно-поступательное, содержащем корпус с направляющими, установленные в корпусе промежуточный и ведущий валы, кинематически связанные между собой, зубчатые колеса, установленные на валах, первую и вторую муфты, зубчатую рейку, расположенную в направляющих корпуса и кинематически связанную с упомянутыми зубчатыми колесами и валами, согласно изобретению, он снабжен осью, на которой свободно и с возможностью перемещения вдоль последней установлена шестерня, находящаяся в зацеплении с рейкой, при этом муфты выполнены кулачковыми, причем ведомые кулачки расположены на торцах по обе стороны рейки, а ведущие – на  зубчатых колесах, при этом зубчатое колесо ведущих кулачков первой муфты находится в зацеплении с зубчатым колесом промежуточного вала, а второй муфты – с зубчатым колесом ведущего вала.

        Такое решение позволяет при непрерывном вращательном движении ведущего вала в одну сторону обеспечить возвратно-поступательное движение выходного звена.

        Отличительной особенностью заявляемого изобретения является то, что зубчатая рейка снабжена косоугольными упорами, расположенными на торцах по обе стороны  рейки.

 

       Таким образом, приведенная отличительная особенность заявляемого изобретения существенно расширяет технологические возможности механизма, при этом заявляемая установка без всяких изменений в конструкции позволяет осуществить обратный цикл, т.е. преобразование возвратно- поступательного движения во вращательное.

Формула изобретения. Механизм для преобразования вращательного движения в возвратно-поступательное, содержащий корпус с направляющими, установленные в корпусе ведущий и промежуточный валы, кинематически связанные между собой, зубчатые колеса, установленные на валах, первую и вторую муфты,  зубчатую рейку, расположенную в направляющих корпуса и кинематически связанную с упомянутыми зубчатыми колесами и валами и осью, на которой свободно и с возможностью перемещения вдоль последней установлена шестерня, находящаяся в зацеплении с рейкой, при этом муфты выполнены кулачковыми, причем ведомые кулачки расположены на торцах шестерни по обе стороны рейки, а ведущие – на зубчатых колесах, при этом зубчатое колесо ведущих кулачков первой муфты находится в зацеплении с зубчатым колесом промежуточного вала, а второй муфты – с зубчатым колесом ведущего вала, отличающийся тем, что зубчатая рейка содержит упоры, установленные с возможностью перестановки на торцах по обе стороны рейки и служащие для перемещения шестерни вдоль оси в момент контакта упоров с шестерней при достижении рейкой заданных крайних положений, что обеспечивает расцепление и зацепление муфт с шестерней. 

          На прилгаемых фотографии и рисунках представлена действующая модель механизма, а также варианты его применение в качестве пилрамы и в станкостроении.

 

Написать продавцу

Нажимая кнопку «Отправить», я подтверждаю свою дееспособность, и даю согласие на получение информации от Сервиса «Prilan», согласие на обработку персональных данных в соответствии с Политикой конфиденциальности и Пользовательским соглашением.
В каталоге 416 объявления Посмотреть все
Корпоративный мессенджер [CAPS]chat
Тип продажи: Отчуждение
Вид объекта: Программы ЭВМ
Цена: 39000000 р
Подробнее
Уникальная технология конструкции беседки
Тип продажи: Отчуждение
Вид объекта: Авторские произведения
Цена: Договорная р
Подробнее
ИС CloudRepairs (Облачные ремонты) по планированию и организации ТОиР
Тип продажи: Отчуждение
Вид объекта: Авторские произведения
Цена: 30000000 р
Подробнее

Сервис Prilan использует cookie, чтобы сайт работал лучше